指南针炒股工具软件-杠杆炒股成功案例-【东方资本】,最近股市推荐,股票软件哪一个好用,专业炒股人需要什么软件

售前咨詢 咨詢熱線
咨詢熱線0311-85395000
返回頂部

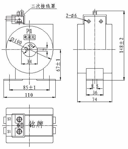
LMZ1G-SKH1 型電流互感器

LMZ1G-SKH1 型電流互感器為環氧樹脂澆注而成的低壓電流互感器,全封閉,戶內型產品, 適用于額定頻率 50HZ、額定電壓為 0.4KV的電力系統中作電能計量、電流測量等使用。

LMZ1G-SKH1 型電流互感器為環氧樹脂澆注而成的低壓電流互感器,全封閉,戶內型產品, 適用于額定頻率 50HZ、額定電壓為 0.4KV的電力系統中作電能計量、電流測量等使用。


產品資料


1750381805210535.png


1. 技術參數表

1750381270982598.png


2. 外形尺寸圖

image.png







暫無數據~
暫無數據~
暫無數據~

需要幫助嗎?

產品咨詢

如果您想要購買產品,請聯系我們,我們的團隊 非常樂意為您提供幫助

查看詳情
聯系客服

我們的客服團隊可為您提供產品資料、技術支持、 投訴幫助等服務

查看詳情
聯系我們
Copyright @2008-2025 申科科技集團 ALL Right Reserved. 冀ICP備12021201號-6 技術支持:遠近互聯 集團地址:河北省辛集市方碑東大街0369號