指南针炒股工具软件-杠杆炒股成功案例-【东方资本】,最近股市推荐,股票软件哪一个好用,专业炒股人需要什么软件

售前咨詢 咨詢熱線
咨詢熱線0311-85395000
返回頂部

導軌表用互感器

產品應用于導軌式電能表中,體積小,集成度高,充分滿足導軌式電能表結構緊湊、高精度計量需求。

產品特點:

用于高精度,小體積要求的導軌式電能表等電能計量裝置;

線性范圍寬,輸出電流精度高,一致性好;

環氧樹脂灌封,初次級工頻耐壓 4KV/Min,絕緣電阻≥1000M2/500Vdc;

工作頻率 50Hz~400HZ;

工作溫度范圍 -40°C~85°C。

產品資料


1749263138368873.png


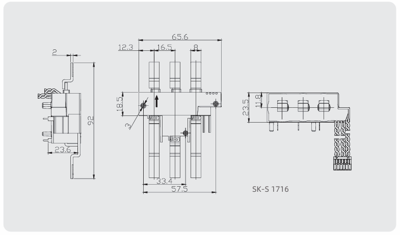
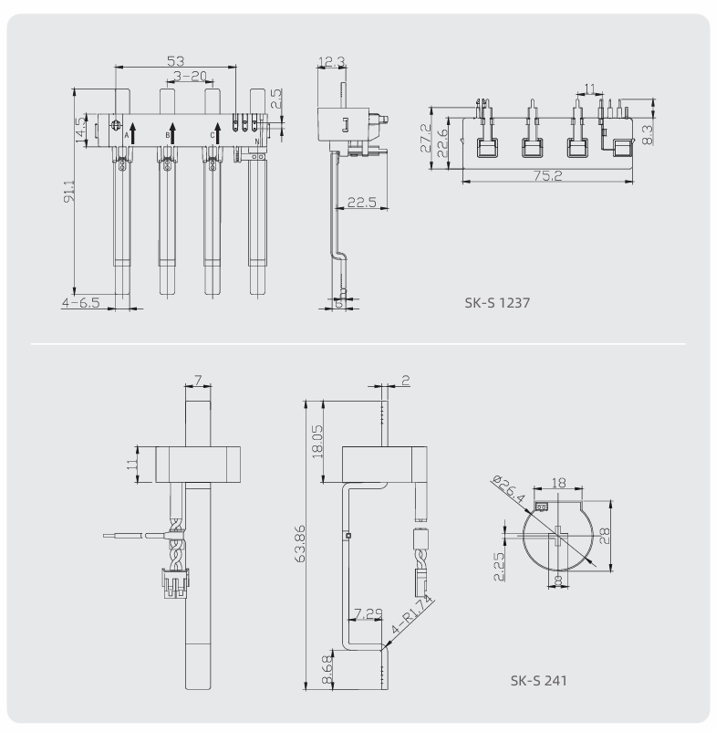
1. 外形及安裝尺寸

image.png


image.png




暫無數據~
暫無數據~
暫無數據~

相關案例

需要幫助嗎?

產品咨詢

如果您想要購買產品,請聯系我們,我們的團隊 非常樂意為您提供幫助

查看詳情
聯系客服

我們的客服團隊可為您提供產品資料、技術支持、 投訴幫助等服務

查看詳情
聯系我們
Copyright @2008-2025 申科科技集團 ALL Right Reserved. 冀ICP備12021201號-6 技術支持:遠近互聯 集團地址:河北省辛集市方碑東大街0369號