指南针炒股工具软件-杠杆炒股成功案例-【东方资本】,最近股市推荐,股票软件哪一个好用,专业炒股人需要什么软件

售前咨詢 咨詢熱線
咨詢熱線0311-85395000
返回頂部

LCZ1-10型穿芯式電流互感器

LCZ 穿芯式電流互感器適用于交流 35kV、24kV和 10kV及以下電力系統中成套設備的電流測量、計量、取電和微機保護。 該型電流互感器選用磁導率高飽和點低的導磁材料作為測量/計量繞組的鐵芯,保證了較高的測量/計量準確度和較低的儀表保安系數;保護繞組采用進口優質 0.23 硅鋼片鐵芯,具有導磁率高、飽和電壓高的優點。該型電流互感器體積小、重量輕,占用空間小,便于安裝等特點,固定在環網開關柜的電纜室內,安裝時只需將電纜從內孔穿過,簡便快捷又美觀。

產品資料


1750470795146967.png


1. 技術參數

1750470636457504.png


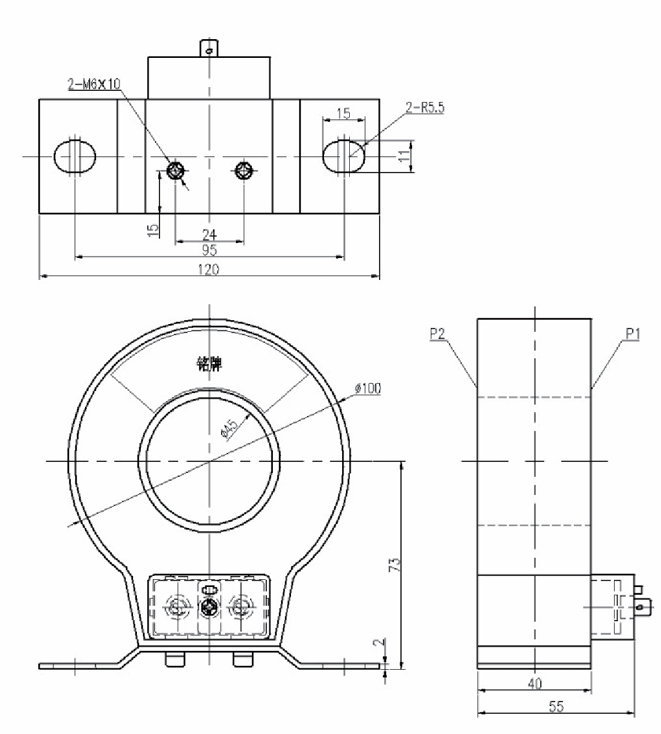
2. 外形尺寸

image.png



暫無數據~
暫無數據~
暫無數據~

需要幫助嗎?

產品咨詢

如果您想要購買產品,請聯系我們,我們的團隊 非常樂意為您提供幫助

查看詳情
聯系客服

我們的客服團隊可為您提供產品資料、技術支持、 投訴幫助等服務

查看詳情
聯系我們
Copyright @2008-2025 申科科技集團 ALL Right Reserved. 冀ICP備12021201號-6 技術支持:遠近互聯 集團地址:河北省辛集市方碑東大街0369號