指南针炒股工具软件-杠杆炒股成功案例-【东方资本】,最近股市推荐,股票软件哪一个好用,专业炒股人需要什么软件

售前咨詢 咨詢熱線
咨詢熱線0311-85395000
返回頂部

LZZBJ9-10A1G型電流互感器

LZZBJ9-10A1G型電流互感器是戶內環氧樹脂澆注支柱式全工況型產品,為南方電網標準產品,適用于額定頻率為 50Hz、額定電壓為 10kV 的電力系統供電氣測量儀表和電氣保護裝置用,安裝在中置式開關柜或其他型式開關柜中。

產品資料


1750410887520223.png


1. 技術參數

1750410942367196.png


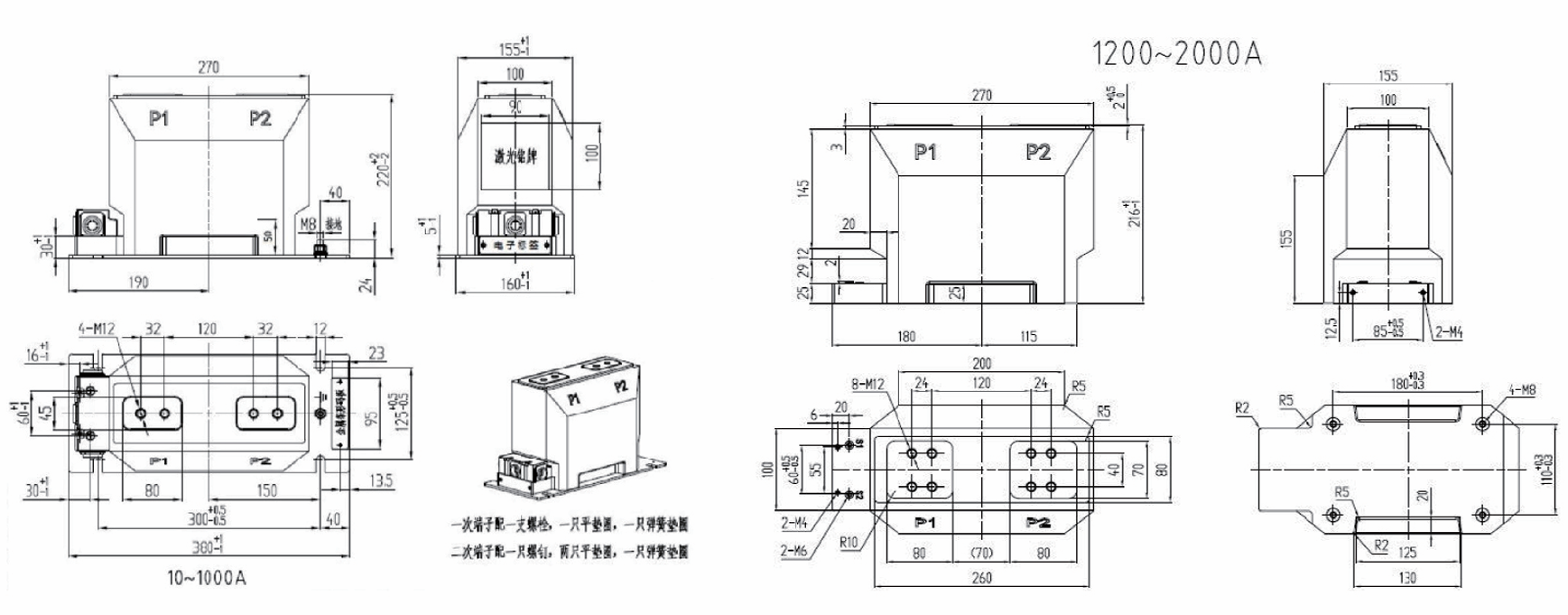
2. 外形尺寸圖

1750410990100977.png



暫無數據~
暫無數據~
暫無數據~

需要幫助嗎?

產品咨詢

如果您想要購買產品,請聯系我們,我們的團隊 非常樂意為您提供幫助

查看詳情
聯系客服

我們的客服團隊可為您提供產品資料、技術支持、 投訴幫助等服務

查看詳情
聯系我們
Copyright @2008-2025 申科科技集團 ALL Right Reserved. 冀ICP備12021201號-6 技術支持:遠近互聯 集團地址:河北省辛集市方碑東大街0369號